產品特點Product Features
No.1
硬件按需定制:內裝元件品牌為施耐德、正泰、德力西、ABB、天正、西門子、上海人民、中國人民、常熟等一線品牌,可根據用戶要求定制,也可增加配置,例如可加裝電涌保護器、電流表、電壓表、互感器等。
No.2
系統安全穩定:專業電子工程師設計電路,具有過載、短路保護功能,可根據用戶要求加裝帶漏電保護功能產品;
No.3
采用質優板材:殼體采用鋁合金壓鑄或優質碳鋼板(不銹鋼)焊接成型,外殼結構緊湊合理、材質密度高、防爆性能優良,牢固可靠,抗震、剛沖擊。
No.4
防腐性能:殼體表面采用高壓靜電噴塑處理,螺絲緊固件采用不銹鋼材質,配合高精度加工工藝,具有高防腐、高防銹、高防水等特點,也可根據客戶需求采用不銹鋼材質制作,來滿足在各類強酸、強堿、防護要求較高的惡劣環境中長期正常工作。
No.5
防爆結構:本司承諾所有防爆產品均嚴格按照國家防爆標準系列文件設計,完全達到國家防爆標準等級和設計要求,并取得相關國家防爆證書及檢測報告,證書齊全,安全可靠,品質優良。
No.6
安裝方式:鋼管,防爆撓性管、防爆電纜,布線簡單,安裝方便。
1. 插座箱采用鋁合金外殼壓鑄或者鋼板焊接成型,表面噴塑或電纜布線;
2. 有多種規格的插座便于檢修用電源
3. 模塊結構,各種回路可根據需要自由組裝;
4. 鋼管或電纜布線。
5.可帶有總開關,具有過載,短路保護功能,可根據用戶要求配備漏電保護功能。

型號規格含義Model specification meaning

規格參數Product parameters
1.防爆標志:ExdeIIBT6 * ExdeIICT6
2.防護等級:IP54、*IP66
3.防腐等級:WF1
4.額定電壓:AC220/380V
5.極數:IP+N+PE,3P+N
7.進線口螺紋:G2"~G3
8.出線口螺紋:G1 1/2
9.額定電流;16A,30A
10.執行標準:GB3836.1-2000,GB3836.2-2000,GB3836.3-2000 IEC60079
回路數 | 額定電壓(V) | 額定電流(A) | 極數 | 防爆標志 | 防護等級 | 防腐等級 |
2,3,4,6 | 220 | 16 | 1P+N+PE | Exde IICT6 | IP65 | WF2 |
380 | 32 | 3P+N+PE |
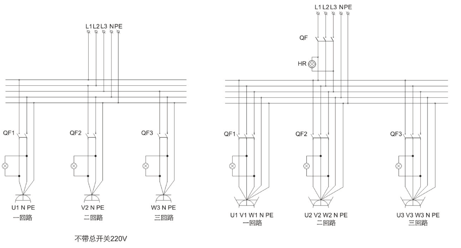
電氣原理圖Electrical schematic

尺寸規格Dimensions

資質認證Qualification
